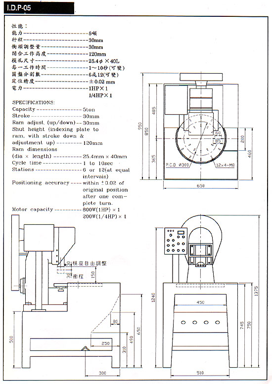
Specifications
- Equipped with advanced microprocessor thus offering excellent stability
- Offering MANUAL operation mode
- Offering AUTO operation mode
- Offering SINGLE MOTTON operation mode. (along with pedal switch for operation)
- Offering TIMER mode eabling operator to preset the time length for each process
- Press stroke 30mm
- Ajustable Press stroke 30mm
- Indexing Disk with either 6 or 12 equal divisions
- Indexing Disk Setting Accuacy tolerance +-0.02mm
- Specifications and dimensions: ref, pictures shown in catalog attached
Features
- Compact, high precision, universal for various purposes
- Simple to operate and highly safety guaranted
- Fully compatible to automated peripheral equipment and capable of evoluting to a fully automated machine
- Equipped with repetitive punching prevention device thus offering higher safety
- Multiple operation modes available to meet needs and proven to be highly feasible
- Ideally suitable for riveting a plurality of parts, and assembling them
Main Products
1-ton, 3-ton, 5-ton, 8-ton, Disk Indexing Table Press
